Synchrone Gleichrichtung auf der Sekundärseite
In einfachen Abwärtswandlern werden gerne Schalttransistoren verwendet. Allerdings müssen diese MOSFETs gegen negativen Stromfluss geschützt werden. Wir stellen in diesem Power-Tipp ein Schaltungskonzept vor, bei dem die synchrone Gleichrichtung nicht zugeschaltet wird, sobald der Strom in die falsche Richtung fließt.
Anbieter zum Thema

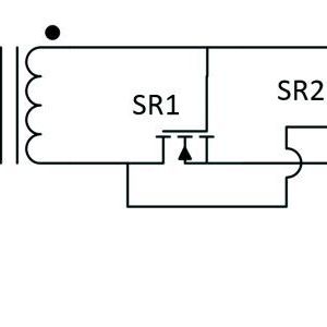
Bei einfachen Abwärtswandlern ist es in den meisten Anwendungen Standard, auf Schottky-Dioden zu verzichten und lieber aktive Schalttransistoren zu verwenden. Dies kann besonders bei niedrigen Ausgangsspannungen die Wandlereffizienz stark erhöhen. Auch in Anwendungen, die eine galvanische Trennung benötigen, gibt es den Wunsch nach hoher Wandlungseffizienz. Bild 1 zeigt einen Flusswandler mit synchroner Gleichrichtung auf der Sekundärseite.
Das Treiben der Transistoren für die synchrone Gleichrichtung kann mit unterschiedlichen Methoden erfolgen. Ein recht einfaches Konzept ist das Ansteuern über Kreuz anhand der sekundärseitigen Wicklung des Transformators. Dieses Verfahren ist in Bild 1 dargestellt. Hier darf der Eingangsspannungsbereich nicht zu groß sein. Bei der minimalen Eingangsspannung muss noch genügend Spannung an den Gates der MOSFETs SR1 und SR2 anliegen, um sie sicher einzuschalten. Das Maximum der Eingangsspannung darf nicht zu hoch sein, damit die Gate-Spannung der MOSFETs SR1 und SR2 nicht höher als ihr jeweils zulässiger Wert werden.
Bei allen Stromversorgungen mit synchroner Gleichrichtung kann auch ein negativer Strom durch die Schaltung fließen. Wenn also die Ausgangskondensatoren bereits während des Startens der Schaltung geladen sind, könnte Strom vom Ausgang zum Eingang fließen. Dieser negative Stromfluss könnte die Spannung an den synchronen MOSFETs SR1 und SR2 so stark anheben, dass diese Schalter zerstört werden. Somit muss man Vorkehrungen treffen, um die MOSFETs zu schützen.
Bild 2 zeigt ein Verfahren mit dem LTC3900. Dies ist ein Regler für die Ansteuerung der synchronen Schalter SR1 und SR2 in einer Flusswandlertopologie. Dieses Konzept funktioniert gut. Es muss jedoch im LTC3900 viel Aufwand betrieben werden, damit ein negativer Stromfluss durch SR1 und SR2 erkannt wird, und die Schalter dann schnell abgeschaltet werden können. Dies ist notwendig, um ein Zerstören der Schalter während des Anlaufens der Schaltung oder auch während eines möglichen Burst-Betriebes, zu verhindern.
Bild 3 zeigt ein elegantes Schaltungskonzept mit dem neuen ADP1074. Die Information zur Ausgangsspannung ist durch den Feedback-Pin bekannt. Wenn die Gefahr besteht, dass der Strom in die falsche Richtung fließt, wird die synchrone Gleichrichtung nicht zugeschaltet. Somit wird eine Beschädigung von SR1 und SR2 ausgeschlossen. Die eingebaute Icoupler-Technologie ermöglicht einen sicheren Betrieb ohne negativen Stromfluss, der das Zerstören der Schalter SR1 und SR2 verhindert.
* Frederik Dostal arbeitet im Technischen Management für Power Management in Industrieanwendungen bei Analog Devices in München.
Artikelfiles und Artikellinks
(ID:44831264)