Sind diskrete Differenzverstärker besser als eine integrierte Lösung?
Frage: Warum mehr für weniger bezahlen? Antwort: Das Konzept des klassischen Differenzverstärkers mit diskretem Aufbau ist relativ einfach. Was aber kann an einem Operationsverstärker und einem Netzwerk mit vier Widerständen kompliziert sein?
Anbieter zum Thema

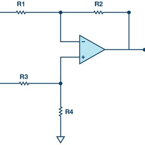
Trotz aller Sorgfalt ist die Leistungsfähigkeit einer solchen Schaltung mitunter nicht so gut, wie vom Entwickler gewünscht. Anhand von Schaltungen aus der Praxis zeigt der folgende Beitrag Nachteile auf, die sich mit diskreten Widerständen ergeben. Dazu gehören Verstärkungsungenauigkeit, Verstärkungsdrift, Gleichtaktunterdrückung (CMR) und Offsetdrift. Die Schaltung des klassischen Differenzverstärkers mit vier Widerständen ist in Bild 1 zu sehen.
Die Übertragungsfunktion des Verstärkers in Bild 1 lautet:
Uout = [R4/(R3 + R4)] x [(R1 + R2)/R1] x U2 – [(R2/R1) x U1]
Mit R1 = R3 und R2 = R4 vereinfacht sich die Gleichung zu Uout = (R2/R1) x (U2 – U1)
Mit dieser Vereinfachung lässt sich das zu erwartende Signal schnell näherungsweise ermitteln. Allerdings sind die Werte der Widerstände aufgrund von Toleranzen nie exakt gleich groß. Hinzu kommt, dass die verwendeten Widerstände meist eine geringe Genauigkeit und einen großen Temperaturkoeffizienten aufweisen, was teilweise zu erheblichen Fehlern der Schaltung beiträgt.
Beispielsweise kann beim Einsatz eines guten Operationsverstärkers in Verbindung mit Standard-Widerständen mit 1% Genauigkeit und 100 ppm/°C der Anfangs-Verstärkungsfehler bis zu 2% betragen und bis auf 200 ppm/°C variieren.
Eine Lösung dieser Problematik wäre der Einsatz von monolithischen Widerstandsnetzwerken für eine genaue Verstärkungseinstellung. Allerdings sind diese sperrig und teuer. Zusätzlich zur geringen Genauigkeit und der erheblichen Temperatur-Drift weisen die meisten diskreten Differenzverstärker schlechte CMR-Werte und einen Eingangsbereich auf, der kleiner ist als die Spannung der Stromversorgung. Auch zeigen monolithische Instrumentenverstärker (In-Amps) eine Verstärkungsdrift, da das interne Widerstandsnetzwerk der Vorverstärker nicht mit dem externen Widerstand zur Verstärkungseinstellung zum RG-Pin übereinstimmt.
Differenzverstärker mit internen Widerständen
Die beste Lösung der gesamten Problematik besteht im Einsatz eines Differenzverstärkers mit internen Widerständen zur Verstärkungseinstellung, wie dem AD8271. Typischerweise enthalten diese Bauteile einen hochgenauen und verzerrungsarmen Operationsverstärker und mehrere abgeglichene Widerstände. Die Widerstände können so geschaltet werden, dass eine große Vielzahl an Verstärkerkonfigurationen entsteht, darunter Differenz-, nicht-invertierende und invertierende Konfigurationen. Die Widerstände auf dem Chip lassen sich auch parallel schalten, um noch mehr Möglichkeiten zu erhalten. Mit On-Chip-Widerständen erlangen Entwickler mehrere Vorteile gegenüber diskreten Schaltungen.
Ein Großteil der DC-Leistungsdaten von OPV-Schaltungen ergibt sich aus der Genauigkeit der beschalteten Widerstände. Die internen Widerstände sind präzise angepasst, per Laser abgeglichen und hinsichtlich Anpassungsgenauigkeit getestet. Deswegen gibt es eine Garantie für hohe Genauigkeit für Spezifikationen wie Verstärkungsdrift, Gleichtaktunterdrückung und Verstärkungsfehler. Die Schaltung in Bild 1 kann eine Verstärkungsgenauigkeit von 0,1% mit einer Verstärkungsdrift von unter 10 ppm/°C erreichen (Bild 2), sofern sie integriert ist.
AC-Leistungsdaten
Die Schaltung auf einem Chip ist wesentlich kleiner als ein diskreter Aufbau auf einer Leiterplatte. Damit sind auch die dazugehörigen parasitären Faktoren geringer und verbessern die AC-Leistungsdaten. Die positiven und negativen Eingangsanschlüsse am AD8271 sind absichtlich nicht aus dem Gehäuse herausgeführt. Da diese Schaltungsknoten nicht an die Leiterbahnen auf der Leiterplatte angeschlossen sind, bleibt die Kapazität niedrig, wodurch sich eine bessere Schleifenstabilität und eine bessere Gleichtaktunterdrückung über die Frequenz ergibt. Bild 3 vergleicht diese Leistungsdaten.
Eine wichtige Funktion des Differenzverstärkers ist die Unterdrückung von Signalen an beiden Eingängen. Wenn die Widerstände R1 bis R4 in Bild 1 nicht optimal angepasst sind (oder falls wie bei Verstärkungen größer eins erforderlich R1, R2 und R3, R4 nicht im Verhältnis angepasst sind), wird ein Teil der Gleichtaktspannung vom Differenzverstärker verstärkt und an UOUT als gültige Differenz zwischen U1 und U2 erscheinen, die sich nicht von einem echten Signal unterscheiden lässt.
Diese sogenannte Gleichtaktunterdrückung wird als Gleichtaktunterdrückungsverhältnis (CMRR) ausgedrückt oder in Dezibel (dB) umgerechnet. Bei der diskreten Lösung sind die Widerstände nicht so gut angepasst wie die per Laser abgeglichenen Widerstände in der integrierten Lösung (Bild 4).
Der CMRR-Wert eines idealen OPV ist CMRR ~ (Ad + 1)/4t.
Darin sind Ad die Verstärkung des Differenzverstärkers und t die Widerstandstoleranz. Bei Verstärkungsfaktor Eins und Widerständen mit 1% ergibt sich ein CMRR-Wert von 50 V/V oder etwa 34 dB; bei Widerständen mit 0,1% steigt der CMRR-Wert auf 54 dB. Selbst bei einem idealen Operationsverstärker mit unendlich hoher Gleichtaktunterdrückung wird der gesamte CMRR-Wert durch die Widerstandsanpassung begrenzt. Bei manchen preiswerten OPVs liegt der minimale CMRR-Wert bei 60 bis 70 dB, was die Fehler verschlimmert.
Widerstände mit niedriger Toleranz
Während Verstärker innerhalb ihres spezifizierten Betriebstemperaturbereichs normalerweise gut arbeiten, muss der Temperaturkoeffizient der externen diskreten Widerstände berücksichtigt werden. Bei einem Verstärker mit integrierten Widerständen können die Widerstände Drift-getrimmt und angepasst werden. Im Layout sind die Widerstände normalerweise dicht nebeneinander platziert, damit sie gemeinsam driften, was ihren Offsettemperaturkoeffizienten reduziert. Im diskreten Fall sind die Widerstände über der Leiterplatte verteilt angeordnet und daher nicht so gut angepasst wie bei der integrierten Lösung. So entsteht ein schlechterer Offsettemperaturkoeffizient (Bild 5).
Fazit: Der Differenzverstärker mit vier Widerständen — ob diskret oder monolithisch integriert — ist weit verbreitet. Mit nur einem Bauteil anstelle von mehreren diskreten Komponenten auf einer Leiterplatte lässt sich das Board jedoch schneller, effizienter und mit beachtlicher Platzersparnis aufbauen.
Für ein solides, produktionstaugliches Design sind Rauschverstärkung und Eingangsspannungsbereich sorgfältig zu prüfen und ein CMR von 80 dB oder besser zu erreichen. Die Widerstände werden ferner aus dem gleichen driftarmen Dünnfilmmaterial gefertigt und erzielen somit eine ausgezeichnete Verhältnisanpassung über die Temperatur.
* Jordyn Ansari ist Produktentwicklerin in der Gruppe „Linear Products and Solutions“ von Analog Devices in Wilmington / USA.
* Chau Tran ist arbeitet in der Gruppe „Instrumentation Amplifier Products“ von Analog Devices in Wilmington, USA.
(ID:46230252)