Power over Ethernet: Wie Sie Ethernet-Geräte über die Datenleitungen versorgen
Mit PoE können Ethernet-fähige Geräte über ein RJ45-Kabel neben der eigentlichen Datenübertragung auch mit Strom versorgt werden. Parallel zu den herkömmlichen PoE-Standards hat Analog Devices mit LTPoE++ einen proprietären PoE-Standard entwickelt, der Leistungen bis 90 W unterstützt.
Anbieter zum Thema

In der Prozessautomatisierung müssen wichtige Parameter wie Temperatur, Druck, Durchfluss, Feuchtigkeit usw. überwacht werden. Dazu werden häufig Messumformer zusammen mit Sensoren eingesetzt, die über ein gemeinsames Kommunikationsmedium ihre Daten auch mit anderen Geräten austauschen.
Dabei wird das Ethernet-Kabel sowohl zur Datenübertragung als auch zur Versorgung der Feldgeräte genutzt. Wir zeigen, wie Ethernet-fähige Geräte das RJ45-Kabel gleichzeitig zur Datenübertragung als auch zur Stromversorgung nutzen können.
Überblick zu den PoE-Standards
Die Bereitstellung von Strom über ein Cat-5-Kabel wird im IEEE802.3af Power over Ethernet (PoE) Standard festgelegt. Die PoE-Standards waren früher auf wenige Watt beschränkt, neuere PoE-Technologien erlauben mittlerweile auch größere Leistungen. So verspricht PoE+ beispielsweise eine Leistung von 25 W pro Port, PoE++ (Four-Pair-Power-over-Ethernet) 70 bis 100 W unter Verwendung aller Adern des vorhandenen Kabels.
Analog Devices hat parallel hierzu den proprietären Standard LTPoE++ definiert, welcher die Spezifikationen auf eine Leistung von 90 W PD (Powered Device) festlegt (Tabelle 1).
LTPoE++ reduziert die technische Komplexität der Komponenten des PoE-Systems gegenüber vergleichbaren Lösungen. Plug- und Play-Fähigkeit, eine einfache Implementierung sowie eine sichere, robuste Stromversorgung sind weitere Merkmale von LTPoE++. Ferner ist LTPoE++ interoperable und abwärtskompatibel mit den Standard PoE-Spezifikationen der IEEE. Allerdings ist die tatsächlich nutzbare Leistung aufgrund von Verlusten im System sowie von Kabelverlusten wie auch bei PoE+ und PoE++ etwas geringer als die spezifizierte PD-Leistung.
Die PoE-Komponenten
Zur Versorgung der Geräte über das Ethernet-Kabel sind im Wesentlichen zwei Komponenten (Bild 1) erforderlich, das Powered Device (PD) und das Power Source Equipment (PSE).
Das PSE liefert den Strom (Leistungsversorgung), wohingegen das PD den Strom empfängt und nutzt (Leistungsverbraucher), wie in Bild 1 zu sehen ist. PSE-Geräte verfügen über einen Prüfmechanismus („Resistive Power Discovery“), um bei Anschluss nicht kompatibler Geräte, diese vor Schaden zu schützen.
Dabei wird zunächst der Signaturwiderstand des PD auf dessen Wert geprüft. Das PD wird nur dann mit Strom versorgt, wenn dieser korrekt ist (25 kOhm). Hat das PSE ein PD erkannt, beginnt es mit der Klassifikation, d.h. mit der Feststellung des Leistungsbedarfs des angeschlossenen Gerätes.

Dafür legt das PSE eine definierte Spannung an und misst den resultierenden Strom. Anhand der Stromhöhe wird das PD einer Leistungsklasse zugeordnet. Erst jetzt wird die komplette Spannung von 48 V und der erforderliche Strom über das Kabel bereitgestellt. Sobald das PD versorgt wird, hat es die Aufgabe, dass die PoE-Spannung (–48 V) in eine für die Endgeräte geeignete Versorgungsspannung gewandelt wird.
Typische PD-Designs verwenden für diese Aufgaben einen zusätzlichen DC/DC-Wandler (Diode Bridge Controller). Er hat die Aufgabe, den Leistungsbedarf der vom PD versorgten Komponenten anzupassen bzw. zu decken. Neuere ICs integrieren für geringere Leistungsklassen bereits Schnittstelle und DC/DC-Wandler in einer Komponente.

Da PDs gemäß den IEEE802.3-PoE-Spezifikationen über ihre Ethernet-Eingänge eine DC-Betriebsspannung beliebiger Polarität akzeptieren, sind zwei Diodenbrücken vor den Eingängen des PDs erforderlich. Somit funktioniert das PD auch bei Verpolung, unabhängig vom verwendeten Adernpaar.
PD-Implementierung leicht gemacht
Mit dem LT4276 existiert ein LTPoE++-, PoE+- und PoE-konformer PD-Regler mit integriertem isolierten Schaltregler. Dieser kann sowohl für Vorwärts- als auch für Flyback-Topologien synchron bei Leistungsklassen von 2 bis 90 W betrieben werden. Im Gegensatz zu herkömmlichen PD-Controllern geringerer Leistungsklassen, die zusätzlich den Leistungs-MOSFET integrieren, bietet der LT4276 die Möglichkeit einen externen MOSFET anzusteuern. Dadurch werden die Verluste im PD geringer gehalten, was gleichzeitig zu einer Effizienzsteigerung führt.
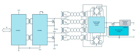
Da die IEEE 802.3 Ethernet Spezifikationen u.a. eine elektrische Isolierung von der Masseanbindung des Gehäuses der Geräte erfordert, eignet sich als PSE das isolierte Controller Chipset LC4290/LTC4271. Der LTC4271 stellt dabei auf der nichtisolierten Seite die digitale Schnittstelle zum PSE Host dar, wohingegen der LTC4290 die Ethernet-Schnittstelle auf der isolierten Seite bietet.

Die beiden Komponenten werden mittels einfachem Ethernet-Übertrager verbunden. Durch dieses robuste PSE-Chipset lassen sich weitere Komponenten zur Erzeugung der isolierten Spannungsversorgung vermeiden (Bild 2).
Effizienz des PoE-System steigern
Eine Leistungs- bzw. Effizienzsteigerung des kompletten PoE-Systems kann erzielt werden, indem die beiden Dioden des Vollbrückengleichrichters auf der PD-Seite durch ideale Dioden ersetzt werden. Als ideale Dioden werden dabei MOSFETs verwendet, die so gesteuert sind, dass sie wie normale Dioden wirken.

Hierdurch kann die Vorwärtsspannung aufgrund des geringen Kanalwiderstand (RDS(ON)) deutlich gesenkt werden. Der Ideale-Dioden-Brückengleichrichter-Controller LT4321 in Kombination mit dem LT4295 PD-Controller ermöglicht die Steuerung von vier MOSFETs in einer Vollbrücken-Konfiguration (Bild 3, rechts).
Dieser Beitrag ist erschienen in der Fachzeitschrift ELEKTRONIKPRAXIS Ausgabe 3/2020 (Download PDF)
* Thomas Brand arbeitet als Field Applications Engineer bei Analog Devices in München.
(ID:46293711)