Die Beschaltung des A/D-Wandlers beeinflusst die Präzision der Wandlungsergebnisse wesentlich. Besonderes Augenmerk sollten Sie auf eine stabile Spannungsversorgung, eine stabile und genaue Referenzspannung sowie auf einen präzisen Takt legen.
Bild 1: Das Bild zeigt als Beispiel die ausfühliche Beschaltung des A/D-Wandlers AD9467.
(Bild: ADI)
A/D-Wandler sind die Schnittstelle zwischen der realen (analogen) und der digitalen Welt. Auflösungen von 12, 16 oder 24 Bit bei gleichzeitig hohen Wandlungsraten im Bereich GSample/s sind üblich. Jitter (zeitliche Unsicherheit der Taktflanken) und Phasenrauschen beeinflussen die Präzision der Wandlungsergebnisse. Um möglichst präzise Wandlungsergebnisse zu erzielen, benötigen A/D-Wandler neben einer stabilen Versorgung und Referenzspannungsquelle eine präzise Eingangsverstärkung und einen genauen Takt.
Die verschiedenen Einflussfaktoren auf die Präzision von ADCs
Die Referenzspannung beeinflusst die Präzision des A/D-Wandlers wesentlich. Einige ADC leiten die Referenzspannung intern aus der Spannungsversorgung des A/D-Wandlers ab. Es lässt sich aber auch eine externe, genauere Referenzspannung nutzen. Sie kann entweder direkt oder über einen zusätzlichen Puffer an den A/D-Wandler angeschlossen sein. Letztere Variante ist gegenüber Störungen widerstandsfähiger.
Wird ein Puffer dazwischengeschaltet, muss auch die Bandbreite des Puffer-Operationsverstärkers an die Wandlungsrate des A/D-Wandlers angepasst sein, damit er die schnellen kapazitiven Ladungswechsel der eingangsseitig vorhandenen Abtastkondensatoren ausregeln kann.
Auch die Spannungsversorgung sollte möglichst stabil sein, da sie im Fall einer intern erzeugten Referenzspannung die Referenz direkt beeinflusst und mögliche Schwankungen in der Versorgung auch auf die Referenz übertragen werden. Die Spannungsversorgung wird daher oftmals durch Schaltregler oder LDOs generiert, die die Schwankungen ausgleichen.
Auch die Eingangssignale werden oft durch zusätzliche Treiberbausteine zwischengepuffert. Dadurch können sie an die Eingangscharakteristik des A/D-Wandlers angeglichen werden. Viele Eingangssignale sind massebezogen. Schnelle A/D-Wandler haben aber meist differenzielle Eingänge. Der Treiber sorgt somit für die Wandlung des massebezogenen auf ein differenzielles Signal. Falls erforderlich, verstärkt er das Signal zusätzlich bzw. führt eine Pegelanpassung durch. Ferner dient der Treiber als Zwischenpuffer für die durch die geschalteten Eingangskapazitäten aufkommenden Ladungsspitzen.
Ein weiterer wichtiger Faktor ist der Takt, der von einem Taktgenerator, optimalerweise mit niedrigem Jitter, bereitgestellt wird. Vorzugsweise werden Taktgeneratoren mit PECL- (Positiv Emitter-Coupled Logic) bzw. LVPECL-Logik (Low Voltage Positive Emitter-Coupled Logic) verwendet, da sie neben einer großen Treiberleistung vor allem auch hohe Geschwindigkeiten bei gleichzeitig sehr geringen Störungen unterstützen.
Beispielschaltung für eine präzise A/D-Wandler-Stufe
Bild 1 zeigt eine exemplarische Schaltung für eine präzise A/D-Wandler-Stufe. Als A/D-Wandler wird der 16-Bit-A/D-Wandler AD9467-250 mit integriertem Eingangspuffer und On-Chip Referenz verwendet. Er besitzt eine Abtastrate von 250 MSample/s und ist optimiert für Anwendungen, die einen hohen Dynamikbereich erfordern, wie beispielsweise Funkempfänger, Mess- und Testgeräte. Wird der ADC mit dem Differenzverstärker ADL5562 angesteuert, erhält man eine ausgezeichnete und flexible Verstärkung sowohl für Basisband- als auch für Hochfrequenzanwendungen. Außerdem bietet der ADL5562 eine bessere Isolation des eigentlichen Signals zum Wandlungssignal.
Um die beste dynamische Leistung des AD9467 zu erreichen, sollte jede Versorgungsspannung mit Entkoppelkondensatoren, die Schwankungen auf den Leitungen ausgleichen, möglichst nahe am Pin implementiert werden.
Um Antialiasing zu gewährleisten, befindet sich ein Butterworth-Filter zwischen A/D-Wandler und Differenzverstärker. Dieser zeigt ein flaches Ansprechverhalten innerhalb des Durchlassbereichs und ist ausgelegt für ein Eingangssignal von 100 MHz. Die 15-Ω-Widerstände an den Verstärkerausgängen isolieren die Kapazität des Filters von den Ausgängen, die 20-Ω-Widerstände an den A/D-Wandler-Eingängen schützen Filter und Verstärker vor internen Schalttransienten
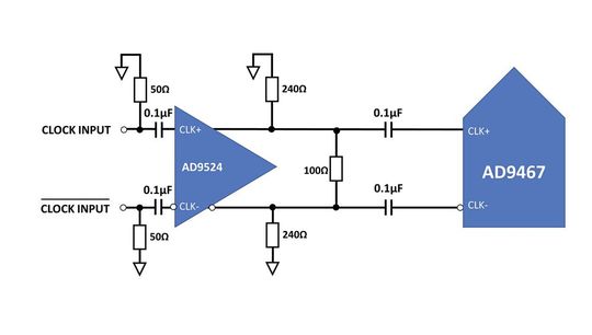
Bild 2: Beschaltung des Takteingangs mit dem AD9524, bei der das Taktsignal über eine AC-Kopplung mit dem ADC verbunden ist.
(Bild: ADI)
Für die Takterzeugung kann der AD9524 benutzt werden, der sechs verschiedene Takte mit jeweils mehreren unterschiedlichen Ausgangscharakteristiken bei sehr geringem Jitter bietet: CMOS, LVDS, HSTL und LVPECL (Low Voltage Positive Emitter Coupled Logic). Dabei wird das differentielle Taktsignal per AC-Kopplung mit dem A/D-Wandler verbunden, wie in Bild 2 gezeigt.
Stand: 08.12.2025
Es ist für uns eine Selbstverständlichkeit, dass wir verantwortungsvoll mit Ihren personenbezogenen Daten umgehen. Sofern wir personenbezogene Daten von Ihnen erheben, verarbeiten wir diese unter Beachtung der geltenden Datenschutzvorschriften. Detaillierte Informationen finden Sie in unserer Datenschutzerklärung.
Einwilligung in die Verwendung von Daten zu Werbezwecken
Ich bin damit einverstanden, dass die Vogel Communications Group GmbH & Co. KG, Max-Planckstr. 7-9, 97082 Würzburg einschließlich aller mit ihr im Sinne der §§ 15 ff. AktG verbundenen Unternehmen (im weiteren: Vogel Communications Group) meine E-Mail-Adresse für die Zusendung von redaktionellen Newslettern nutzt. Auflistungen der jeweils zugehörigen Unternehmen können hier abgerufen werden.
Der Newsletterinhalt erstreckt sich dabei auf Produkte und Dienstleistungen aller zuvor genannten Unternehmen, darunter beispielsweise Fachzeitschriften und Fachbücher, Veranstaltungen und Messen sowie veranstaltungsbezogene Produkte und Dienstleistungen, Print- und Digital-Mediaangebote und Services wie weitere (redaktionelle) Newsletter, Gewinnspiele, Lead-Kampagnen, Marktforschung im Online- und Offline-Bereich, fachspezifische Webportale und E-Learning-Angebote. Wenn auch meine persönliche Telefonnummer erhoben wurde, darf diese für die Unterbreitung von Angeboten der vorgenannten Produkte und Dienstleistungen der vorgenannten Unternehmen und Marktforschung genutzt werden.
Meine Einwilligung umfasst zudem die Verarbeitung meiner E-Mail-Adresse und Telefonnummer für den Datenabgleich zu Marketingzwecken mit ausgewählten Werbepartnern wie z.B. LinkedIN, Google und Meta. Hierfür darf die Vogel Communications Group die genannten Daten gehasht an Werbepartner übermitteln, die diese Daten dann nutzen, um feststellen zu können, ob ich ebenfalls Mitglied auf den besagten Werbepartnerportalen bin. Die Vogel Communications Group nutzt diese Funktion zu Zwecken des Retargeting (Upselling, Crossselling und Kundenbindung), der Generierung von sog. Lookalike Audiences zur Neukundengewinnung und als Ausschlussgrundlage für laufende Werbekampagnen. Weitere Informationen kann ich dem Abschnitt „Datenabgleich zu Marketingzwecken“ in der Datenschutzerklärung entnehmen.
Falls ich im Internet auf Portalen der Vogel Communications Group einschließlich deren mit ihr im Sinne der §§ 15 ff. AktG verbundenen Unternehmen geschützte Inhalte abrufe, muss ich mich mit weiteren Daten für den Zugang zu diesen Inhalten registrieren. Im Gegenzug für diesen gebührenlosen Zugang zu redaktionellen Inhalten dürfen meine Daten im Sinne dieser Einwilligung für die hier genannten Zwecke verwendet werden. Dies gilt nicht für den Datenabgleich zu Marketingzwecken.
Recht auf Widerruf
Mir ist bewusst, dass ich diese Einwilligung jederzeit für die Zukunft widerrufen kann. Durch meinen Widerruf wird die Rechtmäßigkeit der aufgrund meiner Einwilligung bis zum Widerruf erfolgten Verarbeitung nicht berührt. Um meinen Widerruf zu erklären, kann ich als eine Möglichkeit das unter https://contact.vogel.de abrufbare Kontaktformular nutzen. Sofern ich einzelne von mir abonnierte Newsletter nicht mehr erhalten möchte, kann ich darüber hinaus auch den am Ende eines Newsletters eingebundenen Abmeldelink anklicken. Weitere Informationen zu meinem Widerrufsrecht und dessen Ausübung sowie zu den Folgen meines Widerrufs finde ich in der Datenschutzerklärung, Abschnitt Redaktionelle Newsletter.
Der Signal-Rausch-Abstand beim schnellen ADC
Auch der Jitter und das Phasenrauschen beeinflussen die Wandlungsergebnisse. Je geringer diese sind, desto besser ist der Signal-Rausch-Abstand SNR, der das Verhältnis zwischen der Leistung des eigentlichen Nutzsignals und der Rauschleistung darstellt. Theoretisch beträgt das SNR bei einem 16-Bit-Wandler 98 dB, dabei gilt: SNR = (N x 6,02 dB) + 1,76 dB. N = Bitzahl.
In der Praxis wird dieser Wert jedoch durch den Jitter beeinflusst. Der Gesamt-Jitter setzt sich aus dem Jitter des Wandlers (AD9467-250: 60 fs), des Signals und der Takterzeugung (AD9524: < 240 fs) zusammen. Der Signal-Jitter ist abhängig vom Spannungsbereich sowie der Frequenz des Signals. Mit zunehmender Frequenz erhöht sich auch der Jitter.
Mit der beschriebenen Schaltung lässt sich bei einem Eingangssignal von 100 MHz (2,5 Vp-p) ein SNR von ca. 74 dB erzielen.