Spannungswandlung in vier Quadranten

Von Frederik Dostal *

Anbieter zum Thema

In diesem Power-Tipp geht es um ein recht spannendes Thema, das oft zu wenig Aufmerksamkeit erhält: die Spannungswandlung in vier Quadranten. Wir erklären, wie sie funktioniert.

Bild 1: Das Entladen eines Ausgangskondensators über eine einfache ‚Output Discharge‘-Funktion.(Bild:  Analog Devices)
Bild 1: Das Entladen eines Ausgangskondensators über eine einfache ‚Output Discharge‘-Funktion.
(Bild: Analog Devices)

Einfache Spannungswandler generieren aus einer Eingangsspannung eine feste Ausgangsspannung. Daneben gibt es Anwendungen, bei denen dies nicht ausreicht. Ein Beispiel ist ein Spannungsknoten, an den Kondensatoren angebunden sind. Diese sind auf eine beliebige Spannung geladen. Sollen diese nun auf eine niedrigere Spannung gebracht werden, müssen sie teilweise entladen werden. Somit muss eine Spannungsversorgung nicht nur Strom liefern, sondern bei Bedarf auch Strom aufnehmen können.

Für eine solche Anwendung kann eine Spannungsversorgung mit einer ‚Output Discharge‘-Funktion eingesetzt werden. Diese kann Ausgangskondensatoren schnell entladen. Bild 1 zeigt eine solche Funktion für einen abwärtswandelnden Schaltregler. Hier wird der Schalter S2 nach dem Abschalten des Schaltbetriebes für längere Zeit eingeschaltet und die Ausgangskondensatoren werden entladen.

Eine sehr elegante Art, beliebige Ströme und Spannungen zu steuern, sind Vier-Quadranten-DC/DC-Wandler. Ein üblicher Abwärtswandler nach dem ‚Buck‘-Prinzip arbeitet nur in einem Quadranten. Er erzeugt eine positive Spannung mit positivem Stromfluss, also einer Stromrichtung vom DC/DC-Wandler zur Last.

Ein Vier-Quadranten-Wandler entlädt nicht nur Ausgangskondensatoren, sondern es wird erzeugt eine beliebige Spannung. Dies erfolgt, indem Strom in Richtung Last fließt oder auch von der Last genommen wird. Das ist im obigen Beispiel der Fall, bei welchem Ausgangskapazitäten entladen werden.

Ein Vier-Quadranten-DC/DC-Wandler kann jedoch noch mehr: Es kann auch ein beliebiger Strom eingestellt werden. Dieser Strom kann positiv oder negativ sein. Solche Vier-Quadranten-Wandler werden häufig in universellen Laborstromversorgungen eingesetzt. Der Anwender kann beispielsweise eine LED testen, indem ein fester Strom eingestellt wird. Auch kann eine Solarzelle betrieben werden und der Vier-Quadranten-Wandler agiert als Last, welche einen eingestellten Strom aufnimmt.

Eine weitere interessante Anwendung ist das Tönen von Fensterscheiben mit LCD-Technik. Hier wird häufig eine genau eingestellte positive und negative Spannung benötigt, um je nach Lichteinfall und Wunschhelligkeit im Raum eine passende Tönung zu erreichen.

Bild 2: Das Prinzip eines Vier-Quadranten-Spannungswandlers.(Bild:  Analog Devices)
Bild 2: Das Prinzip eines Vier-Quadranten-Spannungswandlers.
(Bild: Analog Devices)

Bild 2 zeigt, was mit der Bezeichnung ‚Vier Quadranten‘ in Bezug auf eine Spannungsversorgung gemeint ist. Es werden die Quadranten eines Koordinatensystems mit Spannung auf der X-Achse und Strom auf der Y-Achse angenommen. Sowohl Strom als auch Spannung können positiv und negativ sein.

Der DC/DC-Wandler kann also als Energiequelle und auch als Energiesenke eingesetzt werden. Der Wandler fungiert also als Stromversorgung oder als elektrische Last.

Der LT8714 ist ein Controller für einen Vier-Quadranten-Regler. Er beinhaltet alle Funktionen, die für eine solche Regelung benötigt werden. Mit diesem IC kann beispielsweise eine Spannung genau bei 0 V gehalten werden.

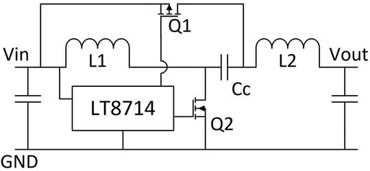
Bild 3: Die Topologie eines Vier-Quadranten-Spannungswandlers in vereinfachtem Schaltplan.(Bild:  Analog Devices)
Bild 3: Die Topologie eines Vier-Quadranten-Spannungswandlers in vereinfachtem Schaltplan.
(Bild: Analog Devices)

Bild 3 zeigt den vereinfachten Schaltplan mit dem Controller-IC sowie der Leistungsstufe. Diese besteht aus den Induktivitäten L1 und L2, zwei Schaltern, Q1 und Q2, sowie einer Kopplungskapazität Cc. Erklärungen zum jeweiligen Betrieb in jedem einzelnen Quadranten sowie zum Verhalten bei den Übergängen von einem Quadranten zum anderen findet sich im Datenblatt des LT8714.

In manchen Anwendungen wird eine Spannungsversorgung im Vier-Quadranten-Betrieb benötigt. Eine solche kann leicht mit einem optimierten Controller wie dem LT8714 aufgebaut werden. Der Schaltungsentwurf wird dadurch sehr einfach und der Betrieb, besonders um den häufig kritischen 0-V-Durchgang, erfolgt sauber und zuverlässig.

Alternativen sind Schaltregler-Topologien, die parallel zueinander geschaltet werden müssen, um eine Funktion in mehreren Quadranten zu ermöglichen. Das ist häufig kostenintensiver als die Nutzung einer dedizierten Vier-Quadranten-Lösung.

* Frederik Dostal arbeitet als Field Application Engineer für Power Management bei Analog Devices in München.

(ID:46672596)

Jetzt Newsletter abonnieren

Verpassen Sie nicht unsere besten Inhalte

Mit Klick auf „Newsletter abonnieren“ erkläre ich mich mit der Verarbeitung und Nutzung meiner Daten gemäß Einwilligungserklärung (bitte aufklappen für Details) einverstanden und akzeptiere die Nutzungsbedingungen. Weitere Informationen finde ich in unserer Datenschutzerklärung. Die Einwilligungserklärung bezieht sich u. a. auf die Zusendung von redaktionellen Newslettern per E-Mail und auf den Datenabgleich zu Marketingzwecken mit ausgewählten Werbepartnern (z. B. LinkedIn, Google, Meta).

Aufklappen für Details zu Ihrer Einwilligung