Power-Tipp Boosten auf die besondere Art

Von Frederik Dostal* 3 min Lesedauer

Anbieter zum Thema

Mehrphasige Boost-Regler bieten Vorteile in Bezug auf die Größe der Ausgangs- und Eingangskondensatoren. Ein zweiphasiger Betrieb offeriert auch eine bessere Effizienz sowohl bei hohen als auch bei niedrigen Lastströmen.

Bild 1: Einfache Boostregler-Topologie.(Bild:  ADI)
Bild 1: Einfache Boostregler-Topologie.
(Bild: ADI)

Getaktete Spannungswandler nach dem Boost-Prinzip können eine niedrige Spannung in eine höhere Spannung umwandeln. Hierzu wird eine Standard-Boost-Topologie, wie in Bild 1 dargestellt, verwendet. Die Ausgangsseite wird mit gepulsten Strömen aus der Induktivität versorgt.

Da bei einem Spannungswandler jedoch eine feste Ausgangsspannung benötigt wird, fällt dem Ausgangskondensator C2 eine wichtige Aufgabe zu. Der Kondensator muss die gepulsten Ströme in eine feste Ausgangsspannung mitteln. Dazu müssen die Ausgangskondensatoren hohe Kapazitätswerte aufweisen und sie müssen einen möglichst geringen parasitären Widerstand (ESR) und eine geringe parasitäre Induktivität (ESL) haben.

Um diese hohe Anforderung an die Ausgangskapazität zu verringern, bietet es sich an, einen mehrphasigen Boost-Wandler zu entwerfen. Bei einem solchen arbeiten im Prinzip zwei Boost-Regler parallel und sind mit demselben Ausgangskondensator verbunden. Die beiden Kanäle werden um 180° zeitversetzt angesteuert.

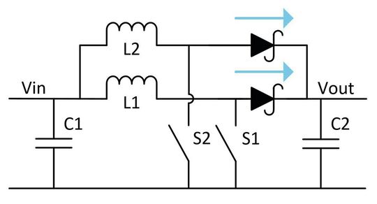
Bild 2: Zweiphasige Boost-Wandler-Topologie, die die Leistung auf zwei Pfade verteilt, um die Effizienz zu erhöhen.(Bild:  ADI)
Bild 2: Zweiphasige Boost-Wandler-Topologie, die die Leistung auf zwei Pfade verteilt, um die Effizienz zu erhöhen.
(Bild: ADI)

Die Schaltung ist in Bild 2 gezeigt. Hier bekommt der Ausgangskondensator C2 in einem Taktzyklus zweimal Energie geliefert. Einmal von L1 und einmal von L2. Um eine ähnliche Spannungswelligkeit zu erhalten wie bei der Schaltung in Bild 1, ist nur etwa die Hälfte der Kondensatorkapazität C2 erforderlich.

Mehrphasige Boost-Regler haben nicht nur Vorteile hinsichtlich der Ausgangskondensatoren sondern auch in Bezug auf die Eingangskondensatoren. Eingangsseitig hat ein Boost-Regler zwar keine gepulsten Ströme, da die Induktivität den Stromanstieg begrenzt. Zwei phasenversetzte Spulen (Bild 2) begrenzen allerdings auch die Eingangsstromschwankung. Dadurch kann der Eingangskondensator C1 ebenfalls verkleinert werden.

Ein mehrphasiger Boost-Wandler erhöht auch die Wandlungseffizienz. Dadurch, dass die Leistung auf mehrere Pfade aufgeteilt wird, sinken die Spitzenströme pro Bauteil und somit steigt die Effizienz.

Praktische Implementierung eines mehrphasigen Boost-Wandlers

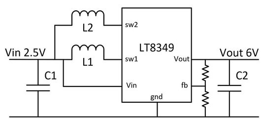
Bild 3: Praktische Implementierung eines zweiphasigen Boost-Wandlers, mit dem Batteriespannungen angehoben werden können (vereinfachte Darstellung).(Bild:  ADI)
Bild 3: Praktische Implementierung eines zweiphasigen Boost-Wandlers, mit dem Batteriespannungen angehoben werden können (vereinfachte Darstellung).
(Bild: ADI)

Bild 3 zeigt die praktische Implementierung mit dem LT8349. Dies ist ein zweiphasiger synchroner Boost-Wandler. Er ist hinsichtlich seines Spannungsbereichs dafür ausgelegt, eine Batteriespannung zu erhöhen oder zu stabilisieren. Wenn aus Batterien kurzzeitig ein höherer Strom entnommen wird, sinkt die Batteriespannung temporär ab. Ein zweiphasiger Boost-Wandler eignet sich hervorragend für einen solchen Betrieb. Durch das phasenversetzte Verhalten wird ein Strom mit einer höheren Kontinuität aus der Batterie entnommen.

Eine weitere Besonderheit der Lösung mit dem LT8349 ist seine Fähigkeit, eine sehr hohe Effizienz auch bei niedrigen Lastströmen zu erreichen. Für eine höhere Effizienz kann bei geringen Lasten eine der beiden Phasen abgeschaltet werden. Bei geringen Lastströmen wird die Batterie ohnehin nicht besonders stark belastet und die Schaltung arbeitet mit einer Phase. Werden höhere Lastströme von mehreren Ampere benötigt, schaltet sich die zweite Phase automatisch dazu und bietet alle Vorteile eines zweiphasigen Betriebs. Das Abschalten einer Phase im Niedriglast-Betrieb wird mit dem Begriff ‚Phase Shedding‘ bezeichnet.

Die Beispielschaltung in Bild 3 wandelt die Versorgungsspannung 2,5 V in eine Ausgangsspannung von 6 V. Bei einem Laststrom von 3 A wird eine Effizienz von 92% erreicht. Bei einem Laststrom von nur 2 mA misst man noch immer eine Effizienz von 90%.

Es gibt somit besondere Arten einen Boost-Wandler zu betreiben. Ein zweiphasiger Betrieb bietet Vorteile bei der Effizienz. Dies sowohl bei hohen als auch bei niedrigen Lastströmen. Eine speziell angepasste integrierte Schaltung macht einen solchen besonderen Betrieb sehr einfach. (kr)

* Frederik Dostal ist Field Application Engineer für Power Management bei Analog Devices in München.

(ID:50400781)

Jetzt Newsletter abonnieren

Verpassen Sie nicht unsere besten Inhalte

Mit Klick auf „Newsletter abonnieren“ erkläre ich mich mit der Verarbeitung und Nutzung meiner Daten gemäß Einwilligungserklärung (bitte aufklappen für Details) einverstanden und akzeptiere die Nutzungsbedingungen. Weitere Informationen finde ich in unserer Datenschutzerklärung. Die Einwilligungserklärung bezieht sich u. a. auf die Zusendung von redaktionellen Newslettern per E-Mail und auf den Datenabgleich zu Marketingzwecken mit ausgewählten Werbepartnern (z. B. LinkedIn, Google, Meta).

Aufklappen für Details zu Ihrer Einwilligung